Hola a todos de nuevo.
INTRODUCCIÓN
Esta maqueta la hice hace más de 20 años tal cual venía de caja, siguiendo las instrucciones. En su día me pareció bastante bien. Pero últimamente, cada vez que la veía en la estantería, me parecía horrorosa. Así que pensé en rehacerla. Pero desmontarla y volverla a hacer me parecía del género tonto.
Pensé que la podía rehacer detallándola. Pero detallarla un poco no valía la pena. Buscando información pensé que el detalle debía ser profundo por lo que decidí rehacerla con las compuertas, escotillas y ventanas abiertas. De esta manera el detalle si valdría la pena.
Tendría que recrear todo el interior y no sólo la cámara de combate sino también el pozo del conductor, la planta motriz y el compartimento de las baterías.
Pensé que la podía rehacer detallándola. Pero detallarla un poco no valía la pena. Buscando información pensé que el detalle debía ser profundo por lo que decidí rehacerla con las compuertas, escotillas y ventanas abiertas. De esta manera el detalle si valdría la pena.
Tendría que recrear todo el interior y no sólo la cámara de combate sino también el pozo del conductor, la planta motriz y el compartimento de las baterías.
Me lo pensé bastante pues la transformación es un trabajo brutal y no es seguro que salga bien. Y si esto no es poco, para empezar no sólo tengo que despiezar la maqueta hecha, si no que tengo que destrozarla para poder abrir todos los vanos.
Pero quién dijo miedo… Si no sale bien a la primera lo será a la segunda o a la que sea. Así que allá voy.
EL MATERIAL
Es un obús autopropulsado de fabricación norteamericana que se maneja con una tripulación de 6 hombres. Con un peso en combate de 24.489 kg, una longitud de 9 mts, ancho de 3,15 mts y 3,06 mts de alto.
Es capaz de librar pendientes laterales del 30%, subir y bajar pendientes del 60% y puede vadear, sin utilizar el sistema de flotación, hasta 1,07 mts de profundidad. Puede atravesar zanjas de hasta 1,8 mts y sobrepasar obstáculos de medio metro.
La velocidad máxima hacia adelante es de 56 km/h y hacia atrás de 11 km/h. Tiene un radio de acción de 354 km con el depósito lleno (511 lts).
El motor es un GMC 8V71T diesel de 2 tiempos turbo. Para el que quiera saber un poco más diré que el significado de 8V71T es: 8 cilindros en "V" de 71 pulgadas cúbicas y "T" de turbo. Genera 405 cv con una cilindrada de 9.301 cm cúbicos.
Se fabricaron, al menos dos modelos de este motor. El 7083-7396 y el 7083-7391. Este último ha sido el más común en los M-109a1 españoles y el que voy a intentar recrear.
Monta una transmisión automática de funcionamiento hidromecánico GMC Allison XTC-411-2A con 4 velocidades marcha adelante y 2 marcha atrás. Esta transmisión hace las veces de embrague, diferencial, dirección y freno. Está unida al motor por una caja de transferencia o "transfer".
El tren de rodaje es del tipo "Christie" (es decir sin rodillos de retorno) con 78, 79 u 80 eslabones (según el lado y el desgaste). Monta 14 barras de torsión independientes y 4 amortiguadores como suspensión. La rueda tractora va delante y la tensora detrás con un cilindro tensor.
El órgano elástico es hidroneumático. La elevación máxima es de 1330ºº (75º) y el sector horizontal de 6400ºº (360º).
Como armamento secundario lleva una ametralladora Browning 12,70 M2HP que se puede utilizar como defensa terrestre o antiaérea.
Puede transportar hasta 28 disparos completos de 155 mm y 500 cartuchos de 12,7 mm.
Hay varios modelos de M-109 y en España se han utilizado algunos. Pero para centrarnos, el modelo que voy a recrear es el M-109a1. Las diferencias con el M-109 son claras, el tubo es totalmente distinto. El M-109 monta un 155/23 M126/M126E1 y desde el a1 hasta el a4 montan un 155/32 M185, el a1 sobre montaje M127 y M178 desde el a2 hasta el a4. El a5/a6 montan un tubo de 155/39 M284 sobre montaje M185.
España ha tenido a la par tanto el M108 como el M109 y los M-109a1 y a1b. A finales de los 90 se achatarraron los M108 y se transformaron los M109, M109a1 y M109a1b al estándar M109a5e.
La diferencia entre el a1 y el a1b es que el a1b monta equipo radio (AN/VRC-46 con AM-1780/VRC) y el a1 no. Exteriormente, la única diferencia es que el a1b presenta una base de antena en la parte trasera de la torre dentro de la cesta trasera derecha.
A partir del M-109a2, desaparecen el sistema de flotación y las pestañas de fijación de los soportes de las bordas laterales que se veían en los laterales de la torre. En la foto se ve un M-109a1 y se aprecia una especie de pletina a la derecha del nº 124.
Una relación de las diferencias más visibles:
- M-109: 23 calibres; Soportes y tomas de inflado del sistema de flotación; Torre con soportes para las bordas; Tapa de escotilla del goniómetro (como el M-108); Trinca de marcha sobre la superestructura de la planta motriz; Pletinas soporte sobre la plancha del radiador. Acceso trasero a la cámara de combate con un portón de una hoja (el M108 presenta dos hojas).
- M109a1: 32 calibres; Misma barcaza que el anterior; cúpula giratoria para el goniómetro o tapa escotilla indistintamente; Trinca de marcha adelantada colocada en la proa y más larga que el anterior; Pletinas soporte sobre la plancha del radiador.

- M109a1b: Igual que el anterior pero con base de antena AS-1729/VRC del equipo radio en la cesta trasera derecha de la torre.
- M109a2: Sin tomas de inflado laterales del sistema de flotación; Proa sin soportes ni toma de inflado del flotador delantero; Torre sin soporte para las bordas; Cúpula giratoria para el goniómetro; Caja de munición exterior en la parte trasera de la torre; Cajas de estiba traseras de la torre desalineadas; Toma auxiliar en la parte trasera derecha de la barcaza; Base de antena como el a1b.(En España lo tiene en dotación Infantería de Marina); Sin pletinas soporte sobre la plancha del radiador; Colocación de soportes para alineador M140; Modificación del tipo de eslabón de la cadena a partir de la implementación del mismo en el a5e.
- M109a3: M108, M109, M109a1 y M109a1b actualizados al estándar a2. (España no ha tenido ninguno).
- M109a4: Actualización de los estándares a2 y a3 con protección NBQ. No se aprecian diferencias visibles en el exterior. (España no ha tenido ninguno).
- M109a5: 39 calibres; Actualización del estándar a4 con mejores prestaciones. (España no ha tenido ninguno).
- M109a5e: 39 calibres; Actualización del estándar a1 y a1b realizado en España. No tiene sistema de flotación pero mantiene los soportes y toma de inflado del flotador delantero. Cajas de estiba traseras de la torre desalineadas. Toma trasera de telefonía; Toma auxiliar en la parte trasera derecha de la barcaza; Sin pletinas soporte sobre la plancha del radiador; Colocación de soportes para alineador M140; Modificación del tipo de eslabón de la cadena; En España lo tiene el ET y a partir de 2021 también la IM sustituyendo los a2. En 2024 se mejora con la integración del sistema SIPNAP (Sistema de navegación y posicionamiento), de un radar de medición de velocidad en boca y la instalación de una UPA (Unidad de Potencia Auxiliar)
- M109a6: Actualización del estándar a5. Ampliación de la torre; Añadida protección delantera del órgano elástico; Modificación de la trinca de marcha. (España no ha tenido ninguno).
- M109a7: Se sustituye la barcaza por un nuevo modelo; El tren de rodaje pasa de 7 a 6 rodillos. (España no ha tenido ninguno).


1.- LA MAQUETA. PASO A PASO
1.1.- DESPIEZADO (O DESTRUCCIÓN) DEL MODELO:
Lo primero es soltar todas las piezas que pueda para poder trabajar con comodidad:
1.2.- DESCRIPCIÓN DEL EXTERIOR DEL MODELO:
NOTA: Aunque las imágenes corresponden a un M109, la distribución es la misma para el M109a1
2- Tapa acceso tapón radiador 18- Pestaña soporte borda
3- Escape calefacción 19- Horquilla tirante borda
4- Rejilla ventilación 20- Pestillo ventana lateral 5- Escape del motor 21- Barra torsión ventana lateral
6- Tapa depósito combustible 22- Soporte pico y zapapico
7- Ventana derecha 23- Soporte petaca agua
8- Argollón trasero de elevación 24- Pestillo caja almacenaje
9- Rueda tensora 25- Manivela portón trasero
10- Piloto trasero 26- Soporte hacha y mangos picos
11- Reja 27- Manivela escotilla JP
12- Argollón de remolque 28- Pestillo fijación escotilla JP
13- Portón Trasero 29- Soportes cable arrastre
14- Soporte trasero gancho rq 30- Soporte trípode ametralladora
15- Ventanas traseras 31- Soportes tramos atacador
16- Argollón elevación torre 32- Tomas sistema flotación
1- Argollón elevación torre 22- Recuperador
2- Escotilla del goniómetro 23- Registro equilibrador
3- Escotilla emergencia 24- Funda piquetes puntería
4- Ventana lateral 25- Funda cañón respeto 12.70
5- Manilla extintor 26- Barra torsión escotilla apuntador
6- Escotilla conductor 27- Pestaña soporte borda
7- Tren de rodaje 28- Horquilla tirante borda
8- Tapas baterías 29- Rejilla aire cámara combate
9- Rueda tractora 30- Pestillo retención escotilla
10- Trinca de marcha 31- Tornillo fijación sist flotación
11- Faros delanteros 32- Periscopio conductor
12- Soporte gancho remolcado 33- Horquilla fijación tirantes proa
13- Argollón elevación 34- Horquilla fijación borda
14- Tapas transmisión 35- Horquilla fijación flotador del.
15- Tapón aceite paso final 36- Trebillas correas flotador
16- Tapa acceso varilla aceite 37- Toma aire flotador
17- Salida bomba achique 38- Escape calentador baterías
18- Freno de boca 39- Asa tapa transmisión
19- Evacuador 40- Zapata fijación trinca de marcha
20- Tubo 41- Soportes pala larga y espeque
21- Rejilla ventilación motor 42- Barra torsión rejilla motor
1.3.- RECORTE Y APERTURA DE ESCOTILLAS
1.4.- REPASO Y AJUSTE DE VANOS Y MARCOS
1.4.1.- VANO DEL MOTOR:
Hecho con lámina de ever para reajustar las medidas y reponer el material que el disco de la Dremel se ha llevado al cortar:
1.4.2.- VANO ESCOTILLA CONDUCTOR:
1.4.3.- VANOS DE LAS VENTANAS LATERALES DE LA TORRE:
Lo primero ha sido reajustar el tamaño ya que con el recorte, la Dremel se lleva más de la cuenta. Así que con tiras de ever he rellenado lo que faltaba, luego puty y lijado:
1.4.4.- ESCOTILLA DE EMERGENCIA O DEL APUNTADOR:
Siguiendo los consejos de "Diesel" y utilizando el limpia hornos he quitado toda la pintura que he podido y éste ha sido el resultado con la torre. Creo que ha quedado genial ¿no os parece? Y sorprendentemente para mí, muy fácil. Muchas gracias Javier:
1.4.5.- VANOS DE ACCESO A LAS BATERÍAS:
Utilizo ever de 1 mm. Y con ever más fino reconstruyo los vanos. Cuando se seque le daré puty y lija. En el de arriba me he quedado un poco corto. Lo arreglaré con masilla. El otro ha quedado justo. Con puty relleno los espacios del vano de las tapas de las baterías y repaso con lija y lima. Con ever reconstruyo las orejetas de los pernos de cierre:
1.4.6.- VANOS DE ACCESO A LA TRANSMISIÓN:
Primero coloco un pequeño tope por la parte interior del frontal del casco donde apoyará el tirante. Éste no lo pegaré hasta que coloque la superestructura definitivamente. Las marcas de inyección las retiraré más tarde. Con ever recreo el tirante y el alojamiento del perno de cierre:
1.5.- RECONSTRUCCIÓN DE ESCOTILLAS Y CIERRES
1.5.1.- REJILLA MOTOR:
1.5.2.- TAPAS DE LA TRANSMISIÓN:
Después de quitar los rebordes y ajustar las tapas de la transmisión le coloco el perno de fijación a la de la derecha:
Y le quito el asa maciza que lleva para ponerle otra de hilo de cobre. Aunque este modelo no tenía el sistema de calentamiento de baterías, sí que llevaba el escape de éste, en la tapa izquierda de la transmisión así que le he hecho el orificio de escape:
Puede que el kit del sistema de calentamiento de las baterías sólo se instalara dependiendo del clima. Es decir, a lo mejor en zonas de frío extremo igual lo llevaban de serie, no siendo el caso de España.
1.5.3.- TAPAS DE LAS BATERÍAS:
Terminadas las tapas de la Transmisión empiezo con las de las baterías, repasando con la dremel la parte inferior para quitar las marcas de inyección y los rebordes que llevan:
Y le hago los pernos de fijación:
1.5.4.- ESCOTILLA DEL CONDUCTOR:
Para ajustar la escotilla del conductor primero quito el pestillo de retención que hay en la barcaza y repaso el emplazamiento:
Luego repaso la falta de plástico del eje de la escotilla con puty y remarco la tornillería. Después de poner un pivote de hilo de cobre vuelvo a colocar el pestillo de retención que había quitado de la barcaza. Y después de retirar el pegamento sobrante así ha quedado:
1.5.5.- PORTÓN TRASERO:
El portón trasero, que como se puede apreciar tiene unas cuantas marcas de inyección y que cuando se monta cerrado no importa, en este caso tengo que intentar quitarlas:
9.- manilla portón 10.- botón 11.- pestillo de retención
9.- manilla portón 10.- botón 11.- pestillo de retención
Por la parte exterior le añado la horquilla soporte de la barra de fijación del portón:
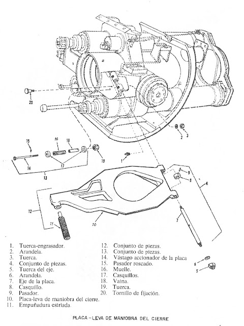
1.5.6.- ESCOTILLA DEL APUNTADOR Y CÚPULA DEL GONIÓMETRO
1.5.6.1.- CÚPULA DEL GONIÓMETRO:
Tanto la versión M-108 105/30 como la versión M-109 155/23 montaban tapa para la escotilla del goniómetro. Las versiones M-109a1 y a1b montaban indistintamente la misma tapa de escotilla o la nueva cúpula giratoria. Yo me he decidido por la cúpula. A partir de la versión a2 y posteriores montan la cúpula con alguna variación que las moderniza, según la versión.
Primero he de despiezar la que tenía para recortarle y lijarle el frontal y poderlo sustituir por un cristal. Luego con el lomo de un cúter, le hago una acanaladura en las dos piezas para que ajuste el cristal (un trocito de plástico transparente de un blíster):
1.5.6.2.- ESCOTILLA DEL APUNTADOR:
Ahora paso a la escotilla de emergencia o del apuntador. Lo primero rehacer la barra de torsión con los goznes y la coloco en su lugar:
Ahora sigo con la escotilla a la que le retiro el material sobrante del proceso de recortado y le coloco el soporte de la manilla de cierre. Y con lámina de latón, ever y plástico estirado le recreo la manivela de cierre:
1.5.7.- VENTANAS LATERALES:
Lo primero el pestillo de retención. Está hecho con lámina de latón y ever. Lo he pegado a la ventana porque me es más fácil así que buscarle el sitio justo en el lateral de la torre. Cuando pegue la ventana en su lugar, el pestillo quedará en su sitio:
Y por último las cajas de almacenaje de las ventanas. Le faltan las bisagras, las palomillas de cierre y el reborde de unión:
Continuando con las ventanas laterales, le hago las bisagras de las compuertas, los pestillos de cierre y le marco la separación de las compuertas por debajo de los pestillos. A continuación le hago la manivela de cierre. Y para terminar recreo la otra ventana haciéndola simétrica:
1.5.8.- VENTANAS TRASERAS:
Le quito las marcas de inyección con puty. Luego pego las compuertas en su lugar y recorto las compuertas dejando parte de la bisagra en su lugar:
Como sólo he encontrado un pestillo de retención, he tenido que recrear el otro con ever. No es exacto pero servirá:
Con ever le hago el tope interior. Con hilo de cobre, el asa. Y con lámina de estaño el soporte de las bengalas. Y en la hoja derecha (vista desde el interior) reconstruyo la manivela, soportes y fallebas, dejándolas en posición de abierta:
1.5.9.- ESCOTILLA DEL JEFE DE PIEZA
1.5.9.1.- ARO INTERIOR:
1.5.9.2.- PROTECTOR DE GOMA:
1.5.9.3.- PESTILLO DE RETENCIÓN Y GANCHO:
1.5.9.4.- MANIVELA Y PESTILLO DE CIERRE:
1.5.9.5.- PERISCOPIO Y SUJECIONES:
Preparo el alojamiento del periscopio entre las patas del soporte de la ametralladora. También con ever recreo la parte exterior del periscopio y lo coloco en su posición:
Ahora recreo la parte interior y lo coloco en su lugar. Con hilo fino de cobre le hago los soportes y pruebo el ajuste de la escotilla en la torre:
1.5.9.6.- ASA INTERIOR Y HORQUILLA DE CIERRE:
1.5.9.7.- PESTILLO BLOCAJE GIRO:
Lo siguiente es el pestillo de bloqueo de giro de la torre:
1.5.9.8.- CAJAS DE ALMACENAJE TRASERAS:
Con ever e hilo de cobre recreo los pestillo de cierre de las cajas de estiba treaseras.
1.6.- EXTERIOR
1.6.1.- TIRADOR DEL EXTINTOR:
El tirador está hecho con un trocito de ever y el protector con lámina de latón:
El tirador está hecho con un trocito de ever y el protector con lámina de latón:
1.6.2.- ZAPATA TRINCA DE MARCHA:
Después de lijar un poco para quitarle las marcas de inyección a la zapata de la trinca de marcha, le he colocado las correas hechas con lámina de estaño e hilo de cobre:
1.6.3.- SALIDA BOMBA ACHIQUE:
1.6.4.- TUBO DE ESCAPE:
Como bien dijo Arsenio Villanueva, ni a él ni a mí nos gustaba la rejilla que había hecho con plástico estirado. He estado buscando una rejilla que le quedara bien al tamaño y todas las que veía tenían los agujeros demasiado grandes. Pero encontré un filtro de entrada de los lavavajillas y lavadoras. Son pequeños, de acero y van colocados justo en la entrada del tubo de agua, tienen forma de dedal y unos agujeros muy pequeños. Así que cogí un filtro de esos y aquí está el resultado:
1.6.5.- ESCAPE DE LA CALEFACCIÓN:
1.6.6.- PESTAÑA FIJACIÓN BORDAS:
1.6.7.- SOPORTES Y CORREAS DE LAS PETACAS DE AGUA:
La correas de sujeción de las petacas las hago con lamina de estaño y las trebillas con hilo de cobre.
La correas de sujeción de las petacas las hago con lamina de estaño y las trebillas con hilo de cobre.
Recreo los mamparos que separan la cámara de combate del motor. También hago el mamparo de separación del pozo del conductor y el motor, abriendo la tapa de acceso al motor. Y compruebo el ajuste con la superestructura:
1.7.1.- COMPARTIMENTO DE LAS BATERÍAS
1.7.1.1.- MAMPAROS COMPARTIMENTO:
Los mamparos están hechos con "ever". Compruebo el ajuste y doy una capa de puty que no lijaré para que quede texturizado el efecto óxido y la pintura estropeada:
1.7.1.2.- TOMA ESCLAVA:
En una varilla de plástico tallo la toma esclava donde se conecta el “biberón” y la coloco en su lugar. Algunos sabréis a que me refiero. Para los que no, es un cable que conecta dos vehículos para arrancar. Son como las pinzas de nuestros coches pero a lo bestia, y en lugar que pinzar los bornes, llevan este conector:
1.7.1.3.- BATERÍAS:
Con ever hago unas pequeñas cajas (con la técnica de Sheperd Paine). Una vez terminadas compruebo el ajuste:
1.8.- POZO DEL CONDUCTOR Y BARRAS DE TORSIÓN DEL POZO:
Siguiendo el orden de construcción lo primero que he hecho ha sido recrear las fundas de las barras de torsión que pasan por debajo del conductor:
1.8.1.- MECANISMOS DEL PUESTO DEL CONDUCTOR
1.8.1.1.- MANILLA EXTINTOR FIJO:
Lo siguiente es el tirador del extintor fijo, pero para ello debo hacer la caja de aire del ventilador de la cámara de combate por que el tirador del extintor está colocado en una de sus paredes. Así que con ever preparo la caja en principio con forma de caja de zapatos. Luego me di cuenta que no tenía esa forma así que la corregí:
1.8.1.2.- ESTRANGULADOR DEL MOTOR:
1.8.1.3.- VOLANTE DE DIRECCIÓN:
Lo siguiente y creo que lo que más me ha costado ha sido el volante de dirección. Está hecho con hilo de cobre soldado con estaño, usando la técnica del maestro y amigo Pedro Andrada. Una vez soldado le doy forma con unos alicates de punta redonda y luego lija:
A continuación preparo el orificio para el eje y el soporte del volante con ever y plástico estirado:
Con tubo termoretráctil de electrónica y un poco de ciano uno los tres hilos del volante. Con funda de plástico forro el eje después de pasarlo por el orificio del soporte y lo coloco en su lugar:
1.8.1.4.- PALANCA DE CAMBIOS:
Ahora preparo el mamparo lateral para colocar los distintos elementos. Para ello dibujo en el panel la posición relativa de cada uno de ellos. Esto me servirá además de para comprobar la posición, para poder medir las distintas piezas y sobre todo y más importante para poder comprobar el orden de colocación de cada uno de ellos, no vaya a ser que el montaje de alguno impida el del siguiente.
Lo primero será la palanca de cambios y su varillaje. Hecho con ever, plástico estirado, hilo de cobre y lámina de estaño. La bola de la palanca está hecha quemando un hilo de plástico estirado:
1.8.1.5.- ACELERADOR:
Sigo con la palanca del acelerador de mano. Hecha con los mismos materiales que la palanca de cambios:
Previamente al montaje definitivo del panel compruebo la posición de los ejes de los pedales, colocando unos soportes en la parte izquierda (en el interior del casco). Comprobado esto, pego el panel en su lugar. Atravieso éste con los distintos ejes de pedales a través de los orificios que había practicado y cuando está todo en su lugar pego los pedales. El pedal del acelerador está hecho con ever:
1.8.1.6.- FRENOS:
1.8.1.7 TAPA DE ACCESO AL MOTOR:
Con ever preparo la tapa de acceso al motor practicándole los orificios para los pernos de fijación.
Con ever preparo la tapa de acceso al motor practicándole los orificios para los pernos de fijación.
1.8.1.8.- MANDO DE LA CALEFACCIÓN:
Con el suelo preparado hago la salida de aire de la calefacción con ever y lámina de estaño. Y la coloco en su lugar:
1.8.1.9.1.- PANEL PRINCIPAL:
Lo siguiente el Panel principal. La estructura está hecha con lámina de estaño, el frontal con ever, los dos relojes con estaño y los botones e interruptores con plástico estirado:
1.8.1.10.- PERISCOPIOS DEL CONDUCTOR:
Lo siguiente, los periscopios del conductor. Están hechos con ever de 1 y de 0.25 mm y sus fijaciones con hilo de cobre:
1.8.1.10.1.- CAJA DEL PERISCOPIO DE RESPETO:
La caja del periscopio de respeto. Hecha con ever, hilo de cobre para las bisagras y lámina de estaño para es pestillo:
A continuación hago un eje de estaño y lo inserto en el tubo del soporte del asiento. En la parte inferior le enrollo hilo de cobre fino para hacer el muelle. La banqueta es un sobrante, creo que de un TOA. El soporte del respaldo está hecho con lámina de estaño doblada y marcada con un punzón. Y el respaldo con poliplás:
Aunque no puedo colocar el asiento en su lugar para que no me impida la pintura del pozo y del propio asiento, lo he presentado, sujeto con un poco de bluetac, para comprobar el ajuste:
1.8.2.1.- PALANCA DE SEGURO:
Siguiendo con el Pozo del Conductor le toca el turno a los mecanismos de la escotilla. Con un trocito de sobrante de fotograbado hago la Palanca del pestillo del seguro:
1.8.2.2.- PALANCA DE ELEVACIÓN Y PALOMILLA DE BLOQUEO:
Luego, quemando la punta de unos trocitos de plástico estirado, preparo la palanca de bloqueo de la escotilla y la palanca de elevación y apertura:
1.8.2.3.- PALANCA DE BLOQUEO:
1.9.- CÁMARA DE COMBATE INFERIOR:
Recorto la forma en lámina de plástico y dibujo en la pieza el lugar que deberán ocupar los protectores de las barras de torsión y las tapas de registro de las fijaciones de éstas. A continuación, con un punzón, grabo las propias tapas y la tornillería:
Cortando un tubo de plástico por la mitad preparo los protectores de las barras y los pego en su lugar. Con puty tapo las hendiduras:
1.9.1.- FILTROS DE AIRE:
Las preparo recortando planchas de plástico. En el lateral le pego una lámina de estaño, grabada con un punzón, donde se sujeta la caja de la rejilla de acceso. Y con ever la propia caja. Con lámina de estaño hago la tapa de la caja y la bisagra de apertura. El perno de la bisagra está hecho con hilo de cobre fino. El pestillo accionador de la tapa de la rejilla hecho con ever e hilo de cobre:
Ahora voy a preparar el tubo corrugado para recrear los tubos de entrada y salida de aire en los filtros. Para ello cojo un trozo de hilo de estaño (de soldar) del grosor conveniente (en este caso de 1 mm). A continuación le enrollo hilo de cobre fino, haciendo una espiral alrededor del estaño:
Le doy con ciano en gel (no es tan rápido como el líquido) a todo lo largo y enrollo papel de aluminio apretando para que se marque el hilo de cobre, haciéndolo girar entre los dedos:
Aquí el tubo colocado en su lugar. Más adelante terminaré de darle forma y ajustaré el tamaño. La tapa superior hecha con plástico y el tubo de entrada de aire del motor hecho con la técnica anterior pero con estaño más grueso:
Para terminar el filtro de aire voy a recrear los motores de extracción del polvo de las cajas. Lleva dos (uno para cada caja) y van adosados a la columna soporte de la rejilla de protección. Están hechos con unos tubitos de plástico. Con estaño hago la pletina de sujeción y con plástico y varilla de plástico termino el soporte de la rejilla y coloco el soporte en su lugar y compruebo el juste de las cajas de filtro y de las mangueras, recortando, de éstas últimas, el sobrante:
1.9.2.- CALEFACCIÓN:
La calefacción del personal está hecha con un trozo de tubo de plástico para el cuerpo. Estaño y varilla de plástico para la salida de aire caliente. Tubo de plástico y “tubo corrugado” para la salida de aire del conductor. Y ever, estaño e hilo de cobre para la caja de control:
1.9.3.- EXTINTORES FIJOS:
2 Mecanismo de tiro 9 Pulverizador
3 Conducción flexible 10 Tubo
4 Manilla 11 Válvula de control
5 Extintor 12 Tubo
6 Tubo 13 Abrazadera de retención
7 Tubo 14 Protección
El cuerpo está tallado de un sobrante de resina. El soporte inferior de ever. Las dos cinchas son de estaño e hilo de cobre para el tornillo tensor. Las boquillas están hechas con varilla de plástico de distintos calibres. Y los tubos de conexión y mangueras con hilo de cobre. Y, como lo anterior, lo coloco en su lugar para comprobar el ajuste:
1.9.4.- SISTEMA DE FLOTACIÓN:
Primero hago, con plástico, la caja de aire donde va conectado el aparato de ventilación. Como necesito dejarlo colocado en su lugar para poder comprobar los ajustes, pero me molestaría dejarlo colocado, para poder poner en su lugar tanto los extintores como la calefacción he tenido que practicar un orificio a la caja de aire donde insertaré aparato de ventilación. Así puedo colocarlo para comprobar ajustes y quitarlo para poder colocar el resto de sistemas que van por detrás:
A continuación sigo con la rejilla protectora que va al fondo de la cámara de combate y que cubre los sistemas de flotación, calefacción, ventilación, extinción y extracción de polvo de los filtros de aire. Lo he construido con lámina de estaño, ever y rejilla del “cajón de sastre” y una vez terminada compruebo el ajuste en su lugar y con los demás elementos. Sólo me falta dar un poco de masilla en los bordes de la rejilla para rematar y listo:
Y una vez colocados los mamparos, coloco las trebillas para las correas. Están hechas con hilo de cobre muy fino. Primero les aplasto las puntas con los alicates, luego los pego en su lugar y cuando está seco el ciano aprieto las puntas contra el plástico. Creo que no quedan mal del todo (sobre todo una vez pintado y a simple vista). No sé, ¿qué opináis?:
A continuación los soportes traseros. Para hacer los aros soporte he utilizado una tira de lámina de estaño de 1,5 mm de ancho y le he dado forma con el mango de un sacabocados que coincidía con el calibre deseado:
1.9.7.9.- PESTILLO DE LAS REJAS:
Ahora las palancas de los pestillos de fijación de las rejas que también van en el interior de la cámara. Lo primero es preparar los dos muelles que tienen estas palancas y tengo que hacerlo con el hilo de cobre más fino que puedo (0,05 mm). Lo enrollo en otro un poco más grueso (0,3 mm) hasta tener suficiente. Una vez tengo el muelle, el resto es más fácil. El pedal es de lámina de estaño y los ejes de plástico estirado. Los coloco en su lugar y listo:
Y la coloco en su lugar, sobre el manguito exterior de la cuna. Ahora voy a aprovechar para reparar, la camisa del tubo, que se me rompió cuando intenté despegarlo. Así que pegamento, masilla y lija. También se aprecia que he tenido que cortar la tapa del visor de puntería directa por qué no me entraba este conjunto en las gualderas de la torre. Cuando pueda lo volveré a colocar. Bueno creo que la reparación no ha queda nada mal ¿no? aunque con el "macro" se nota un poquito, pero a simple vista ni se ve y al tacto tampoco se nota. Ya veremos con la pintura:
Por debajo del bloque de culata lleva el atacador. Está compuesto por un cilindro que hace de eje para que el conjunto bascule, un soporte de apoyo, una bandeja de carga y el atacador propiamente dicho. Empiezo con el cilindro-eje. Está hecho con un tubito de plástico en el que se inserta una varilla de estaño que está fija al bloque. A continuación preparo el soporte lateral. Está hecho con lámina de estaño y ever:

Lo siguiente son los plafones de las luces interiores. Lleva uno en el lateral derecho y otro en el techo. Sobre una lámina de estaño en la que grabo con un punzón los tornillos de fijación, pego una lámina de ever y sobre ésta un trocito de estaño aplastado que hace de cristal y un trocito de plástico que simulará el interruptor:
Ahora el rellenador. Va colocado en el lateral derecho y está formado por una bombona a la que se conecta un tubo. La bombona está hecha con un cilindro de plástico a la que le he practicado un orificio donde he insertado un tubo fino. Dentro de este entra otro tubito de plástico y el hilo de cobre que simula el latiguillo. Con lámina de estaño preparo la brida de sujeción del rellenador. Y coloco todo el conjunto en su lugar, dando los dobleces necesarios al hilo de cobre:
Caja del periscopio de respeto del jefe de pieza. Hecho con ever, lámina de estaño e hilo de cobre para las bisagras:
Canjilón de espoletas derecho. Sobre lámina de estaño recorto la pieza y con ayuda de los alicates de punta plana hago los dobleces necesarios para conformar el canjilón:
Ahora sigo con el canjilón de espoletas del anillo. Hecho con lámina de estaño. Una vez conformado lo coloco en su lugar:
Esta vez es poca cosa. Bueno de trabajo no, porque me ha costado un poco decidir cómo hacer las carcasas de cierre de los alvéolos de la munición. Una vez tomada la decisión, después de pensarlo bastante, la construcción ha sido relativamente rápida. Lo primero, y después de tomar un montón de medidas, es la caja de alvéolos. Como se ve, está hecha con lámina de estaño y conformada plegando los laterales. Luego la relleno con tubitos de plástico que formarán los alvéolos de transporte de la munición:
Con lámina de estaño preparo el canjilón de espoletas del lateral izquierdo. Y una vez terminado lo coloco en su lugar:
Empiezo por el acumulador principal. He de decir que el M-109 lleva dos cilindros, uno el principal (como éste y otro el de reserva, pero el M-109a1, que es el caso, sólo lleva el principal). Dicho esto paso al cilindro acumulador del circuito electrohidráulico. Está hecho con un trozo de un bolígrafo. Con lámina de estaño le hago las tapas. También con lámina de estaño, le hago las abrazaderas de sujeción. Con dos cilindros de varilla de estaño y rodajitas de funda plástica le hago la válvula de potencia y el regulador de presión. Lo siguiente es la escuadra soporte del conjunto. Está hecha con lámina de estaño y plástico estirado. Y por último le hago el indicador de nivel y el manómetro. Para ello utilizo ever, lámina de estaño e hilo de cobre:
Con lámina de estaño conformo el soporte de la banqueta. Con una pieza de plástico preparo el pilar de soporte, al que le practico unos orificios en el lateral. También con lámina de estaño conformo la escuadra que articula y soporta el conjunto del asiento. La palanca está hecha con hilo de cobre. También con hilo de cobre hago los rodillos y el pasador de bloqueo de la articulación. Con ever preparo el propio asiento:
Con funda plástica y ever hago la entrada del tubo de la varilla de aceite. Y con hilo de cobre simularé el tubo de la varilla del aceite:
1.11.3.- CAJA DE TRANSFERENCIA:
La trinca que trae el kit corresponde a los modelos a2 y posteriores ya que llevan muelles en los laterales. Para el caso he tenido que recortarle los muelles y colocarlo en su lugar:
Imprimación dada con pintura en espray de Tamiya (blanco TS-1). Capa base acrílico Decoart blanco titanio con soplador Badger:
Ahora el manguito de retorno al radiador con la unidad del termostato. El manguito es de hilo de estaño y el cuerpo del termostato de resina. La unión está hecha con tubo termoretráctil:
Como para alguna de las herramientas me van a hacer falta correas tengo que fabricarme alguna anilla (un guiño en recuerdo de Sergio Tchundin que con esta técnica recreaba una cadenas geniales).
Las petacas colocadas encima de la rejilla del radiador:
Con masilla Andrea voy a modelar la bolsa de herramientas. Con lo que ha sobrado he hecho una llave inglesa, un destornillador y el escobillón:
La bomba de aire del sistema de flotación. Para ello he preparado 8 tubos corrugados hechos con hilo de cobre y papel de aluminio. Y con ever he preparado la caja de conexión de los tubos:
El cuerpo de la bomba lo he tallado en un bloque de pasta Jovi y le he añadido lámina de estaño para conformar el cuerpo del motor y el del rotor primario. Una vez terminado lo he presentado en su lugar para comprobar ajustes. Me faltan las válvulas que haré cuando tenga claro cómo:
Las ocho válvulas están hechas con hilo de cobre de 0,5. Para ello machaco la punta del hilo con unos alicates y pliego hacia atrás la parte machacada. Corto el hilo y pego en el cuerpo de la caja de válvulas. La tubería de la bomba está hecha con hilo de estaño de 2 mm y lámina de estaño. El hilo de estaño lo doblo y ajusto y con la lámina de estaño simulo el manguito de caucho que une los dos codos de la tubería. La caja de conexión eléctrica está hecha con un trocito de ever forrado con lámina de estaño para el cuerpo de la caja, con hilo para simular el cable y con funda de cable telefónico para el conector:
1.9.5.- VENTILACIÓN:
Primero hago, con plástico, la caja de aire donde va conectado el aparato de ventilación. Como necesito dejarlo colocado en su lugar para poder comprobar los ajustes, pero me molestaría dejarlo colocado, para poder poner en su lugar tanto los extintores como la calefacción he tenido que practicar un orificio a la caja de aire donde insertaré aparato de ventilación. Así puedo colocarlo para comprobar ajustes y quitarlo para poder colocar el resto de sistemas que van por detrás:
Una vez colocada la caja de aire, paso a construir el aparato de ventilación. Se compone de un cuerpo cilíndrico, una tapa inferior con la boca de entrada-salida de aire y una caja de conexión eléctrica con su cable.
El cuerpo cilíndrico es un trozo de la tapa trasera de un rotulador recortada a la medida (más un trocito para que pueda insertarlo a presión en la caja de aire. Al cuerpo cilíndrico le he pegado un trocito de madera al que he dado forma redondeada con papel de lija. Con lámina de estaño he conformado la boca del aire y la he ajustado al trocito de madera. Para igualar he dado una capa de puty y una manita de lija. La caja de conexión eléctrica la he hecho con ever y le he pegado un trocito de hilo de cobre fino. El conector es un trocito de funda de cable eléctrico. Creo que ha quedado bien y no he tardado mucho en hacerlo (unos quince minutos). He tardado bastante más en decidir cómo hacer para que pudiera colocarlo en su lugar para comprobar ajuste, pero poderlo quitar para montar los demás elementos. En la siguiente foto se ve la colocación pero sólo está colocado a presión, así que tirando suavemente sale del orificio de la caja de aire y lo reservo para más tarde:
En la siguiente foto se aprecia la colocación de todos los elementos. Sólo están colocados en su lugar para comprobar. Ahora los reservaré hasta que la cámara de combate y estos elementos estén pintados. Falta recortar y ajustar las tuberías del sistema de flotación, pero lo haré cuando vaya a ajustar la superestructura:
1.9.6.- SOPORTE DEL EXTINTOR PORTÁTIL:
1.9.7.1.- REJILLA PROTECTORA:
A continuación sigo con la rejilla protectora que va al fondo de la cámara de combate y que cubre los sistemas de flotación, calefacción, ventilación, extinción y extracción de polvo de los filtros de aire. Lo he construido con lámina de estaño, ever y rejilla del “cajón de sastre” y una vez terminada compruebo el ajuste en su lugar y con los demás elementos. Sólo me falta dar un poco de masilla en los bordes de la rejilla para rematar y listo:
1.9.7.2.- TREBILLAS:
Y una vez colocados los mamparos, coloco las trebillas para las correas. Están hechas con hilo de cobre muy fino. Primero les aplasto las puntas con los alicates, luego los pego en su lugar y cuando está seco el ciano aprieto las puntas contra el plástico. Creo que no quedan mal del todo (sobre todo una vez pintado y a simple vista). No sé, ¿qué opináis?:
Arsenio tenía razón. Ahora está mucho mejor. Pero no sólo tenía razón en esto. También en lo de las trebillas de las correas. El otro día me pasó un enlace de un artículo suyo de cómo hacer asas iguales. Yo lo había visto hace años pero ni me acordaba. Lo intenté pero no me salió bien. Pero el bueno de Arsenio me facilito el enlace y después de repasarlo he vuelto a rehacer las trebillas que tenía hechas y las que me faltaban por hacer. No me han salido perfectas pero creo que han mejorado bastante. Una vez hechas coloco las del portón trasero. Y las de la cámara de combate:
1.9.7.3.- SOPORTE DELANTERO DE PROYECTILES:
Bueno, siguiendo con la cámara de combate voy a mostraros la construcción de los soportes de munición de 155 mm. En la parte delantera lleva un soporte para dos proyectiles y en la parte trasera lleva soporte para 10 proyectiles. El soporte delantero lo he hecho con ever y lámina de estaño. Y el soporte de ojiva, que va en la parte superior para sujetar los proyectiles en posición vertical. Está tallado en un trozo de ever. Y las trebillas son de hilo de cobre:
1.9.7.4.- SOPORTES TRASEROS DE PROYECTILES:
A continuación los soportes traseros. Para hacer los aros soporte he utilizado una tira de lámina de estaño de 1,5 mm de ancho y le he dado forma con el mango de un sacabocados que coincidía con el calibre deseado:
La base de los soportes también está hecha con lámina de estaño. En las siguientes fotos se aprecian los soportes presentados en su lugar, pero sin pegar, para comprobar ajuste y poder medir el lugar donde irán los soportes de ojiva:
Los soportes de ojiva están hechos con ever e hilo de cobre. Aquí se ve el soporte de los tres primeros proyectiles, adosado al lateral izquierdo del casco:
Y aquí se aprecia el segundo soporte que cuando se cierra aprisiona los tres proyectiles anteriores y a él se sujetan, mediante correas, los dos proyectiles exteriores. Como no tengo decidido si le pondré algún proyectil, no he pegado el eje para poder abrir el soporte. Ya cuando lo decida los dejaré fijos, pero de momento son móviles:
1.9.7.5.- SOPORTE DE MUNICIÓN DE FUSIL DE ASALTO:
Soporte de la munición de fusil. Está hecho con lámina de estaño. Antes de colocarla definitivamente en su lugar le daré una manita de puty:
1.9.7.6.- SOPORTE FRONTAL DE PROYECTILES:
1.9.7.7.- SEPARADORES DE CARGAS:
1.9.7.8.- ASIENTOS DE LA TRIPULACIÓN
Con hilo de alambre de 1 mm he preparado los bastidores. Primero he preparado una plantilla para que al doblar el alambre me quedaran los dos bastidores iguales. Esto es cosecha mía:
Y una vez preparados los bastidores y con la técnica que explica Pedro Andrada en su blog Mechanical dog, he soldado el travesaño trasero que le faltaba al bastidor. El sobrante de alambre lo cortaré cuando tome medidas para colocarlo en su lugar.
Una vez lijada la soldadura he recortado tiras de 1,5 mm de lámina de estaño para simular el entramado de correas que conforman el asiento. Los soportes que están hechos de latón con un remache de plástico. El soporte de los cinturones es de lámina de estaño con un remache de plástico estirado. La correa es un recorte de un sobrante de una bandera autoadhesiva del King of Mississippi (Artesanía Latina) que hice hace unos años. El cierre y la pestaña son de lámina de estaño:
Una vez lijada la soldadura he recortado tiras de 1,5 mm de lámina de estaño para simular el entramado de correas que conforman el asiento. Los soportes que están hechos de latón con un remache de plástico. El soporte de los cinturones es de lámina de estaño con un remache de plástico estirado. La correa es un recorte de un sobrante de una bandera autoadhesiva del King of Mississippi (Artesanía Latina) que hice hace unos años. El cierre y la pestaña son de lámina de estaño:
1.9.7.9.- PESTILLO DE LAS REJAS:
Ahora las palancas de los pestillos de fijación de las rejas que también van en el interior de la cámara. Lo primero es preparar los dos muelles que tienen estas palancas y tengo que hacerlo con el hilo de cobre más fino que puedo (0,05 mm). Lo enrollo en otro un poco más grueso (0,3 mm) hasta tener suficiente. Una vez tengo el muelle, el resto es más fácil. El pedal es de lámina de estaño y los ejes de plástico estirado. Los coloco en su lugar y listo:
1.10.- CÁMARA DE COMBATE (parte superior):


Lo primero que tengo que hacer es disminuir el orificio de la torre. Así las orejetas de unión con el casco quedarán tapadas. Aprovecharé para disimular los escalones traseros que presenta la base de la torre.
Para ello recorto una pieza de poliplás con la medida correcta. Una vez ajustada y con el mismo material hago el protector de la corona de movimiento en dirección. Una vez pegado el protector recorto el sobrante para que ajusten las gualderas. Una capa de puty y compruebo el ajuste con la torre y cómo se ve desde todas las ventanas:
La pieza de Italeri es incorrecta ya que intenta reproducir un bloque de culata con cierre de cuña horizontal cuando en realidad este obús lleva un bloque de culata cilíndrico con cierre de tornillo. Italeri optó por el bloque de las versiones alemanas (M109g) que montan cañones Rheinmetall con bloque de cierre de cuña horizontal mientras que los M109 USA y los exportados por ellos montan un cañón con bloque de cierre de tornillo. Así que tengo dos opciones: desecharlo y recrear uno nuevo o transformarlo.
Después de estudiarlo detenidamente y sopesar los pros y contras decido transformarlo. Éste, aunque incorrecto, tiene los muñones con las medidas bastante correctas y tener que recrear los muñones, creo que será más difícil que la transformación aprovechando los muñones:
Lo primero es cortar el bloque de cierre y retirar el material de la placa que lleva detrás. Luego capa de puty:
Lo primero es cortar el bloque de cierre y retirar el material de la placa que lleva detrás. Luego capa de puty:
Ahora le toca el turno a los escudos (los de caballería e infantería le creo que le llaman mantelete). Y digo escudos porque son tres. El inferior, el intermedio y el superior, aunque Italeri lo ha hecho izquierdo y derecho. Aun así, lo usaré tal como viene porque en realidad cuando están unidos no se aprecia si el corte es vertical u horizontal, aunque le faltaría la ranura horizontal con la tornillería embutida. Una vez unidos y ajustados, le doy puty para igualar la unión. Coloco, sin pegar, la culata para comprobar ajuste y tomar medidas para seguir:
Ahora utilizo la cuna para medir la posición de los cilindros del órgano elástico. El roto en la camisa de la cuna ha sido por accidente al despegar el tubo. Ya lo arreglaré cuando llegue el momento. Una vez tomadas las medidas de la posición de los cilindros del órgano elástico recreo el collar de unión de los vástagos con ever. Compruebo el ajuste. Y le doy forma con lija y compruebo el ajuste y medidas del bloque de culata. Éste lo hago con un cilindro de plástico de la medida correcta. Una vez comprobado le coloco las tuercas de unión de los vástagos al collar. Éstas son del cajón de sastre.
El soporte del cilindro de freno superior y del rellenador está hecho con ever. Coloco los cilindros y compruebo el ajuste con el collar. El cilindro de freno está hecho con un trozo de tubo de plástico (en realidad un trozo de mina de bolígrafo):
El soporte del cilindro de freno superior y del rellenador está hecho con ever. Coloco los cilindros y compruebo el ajuste con el collar. El cilindro de freno está hecho con un trozo de tubo de plástico (en realidad un trozo de mina de bolígrafo):
El cilindro del rellenador está hecho con estaño. La válvula con un trocito de funda plástica de cable eléctrico y plástico estirado.
Ahora el cierre y sus elementos. Con un círculo de estaño simulo el tornillo de cierre en posición de "cerrado". Con ever, estaño y una rodajita de funda de cable preparo el soporte del cierre. El eje del mismo con un tubito de plástico. Y la palanca de cierre la hago con hilo de estaño de 1 mm. La placa de maniobra está hecha con ever y el asa con un trocito de cable eléctrico:
Ahora el cierre y sus elementos. Con un círculo de estaño simulo el tornillo de cierre en posición de "cerrado". Con ever, estaño y una rodajita de funda de cable preparo el soporte del cierre. El eje del mismo con un tubito de plástico. Y la palanca de cierre la hago con hilo de estaño de 1 mm. La placa de maniobra está hecha con ever y el asa con un trocito de cable eléctrico:
Como el siguiente paso, después de terminar con la cuna, será el cilindro de elevación/equilibrador, he estado comprobando los pasos preliminares y me he dado cuenta que como Italeri ha hecho el escudo en dos partes longitudinalmente en lugar de transversalmente, pues no puedo ajustar el vástago del equilibrador. Así que he tenido que recortar un trozo del escudo izquierdo.
He de decir, en favor de Italeri, que no es que esté mal el diseño del escudo, teniendo en cuenta que es una pieza interior que no se ve y que no hay que montar el equilibrador. Supongo que está hecho así por facilitar la construcción del máster, antes de preparar el molde.
Una vez preparado el escudo, construyo con ever el brazo soporte del vástago del equilibrador y lo ajusto en su lugar. He de decir que no es exactamente de esta manera cómo va el brazo pero por motivos de construcción del modelo original lo he tenido que hacer de esta manera, lo más parecido que he podido al original. Esto también afectará al vástago que le tendré que practicar unos ángulos que en realidad no tiene:
Una vez preparado el escudo, construyo con ever el brazo soporte del vástago del equilibrador y lo ajusto en su lugar. He de decir que no es exactamente de esta manera cómo va el brazo pero por motivos de construcción del modelo original lo he tenido que hacer de esta manera, lo más parecido que he podido al original. Esto también afectará al vástago que le tendré que practicar unos ángulos que en realidad no tiene:
Ahora voy a construir la guía del zuncho del tubo. Va por la parte exterior, justo encima de la cuna y sirve para centrar y fijar la posición del tubo dentro de la cuna.
Ya, Arsenio Villanueva, la construyó en su "super detallado" del M-109a2, hace unos años y a mí no se me ha olvidado como a los de Italeri. Está hecha con lámina de estaño y plástico fino:
Y la coloco en su lugar, sobre el manguito exterior de la cuna. Ahora voy a aprovechar para reparar, la camisa del tubo, que se me rompió cuando intenté despegarlo. Así que pegamento, masilla y lija. También se aprecia que he tenido que cortar la tapa del visor de puntería directa por qué no me entraba este conjunto en las gualderas de la torre. Cuando pueda lo volveré a colocar. Bueno creo que la reparación no ha queda nada mal ¿no? aunque con el "macro" se nota un poquito, pero a simple vista ni se ve y al tacto tampoco se nota. Ya veremos con la pintura:
Ahora le coloco las gualderas y las muñoneras. Y ya puedo colocar la tapa exterior del visor de puntería directa:
Aunque todavía no está pegado, ya puedo comprobar el ajuste del equilibrador. Se pueden ver los ángulos a los que me he referido antes. Y no sólo es culpa de la construcción del escudo sino también de la posición de la tapa de registro y alojamiento del propio equilibrador. Debería estar un poco más hacia la izquierda:
Sigo con el circuito del equilibrador. Como es bastante engorroso trabajar con el hilo de cobre y no digamos con 4 hebras a la vez, he decidido montar el circuito fuera y cuando esté lo colocaré en su lugar. Para ello he pasado las medidas y el dibujo a una tablilla donde he fijado con cinta adhesiva la parte inferior de las abrazaderas y siguiendo la línea marcada, voy pegando el hilo sobre las abrazaderas. Para que éste no se mueva lo sujeto con adhesiva también. Luego voy colocando el siguiente hilo y así hasta colocar los 4. Para que no se muevan, voy pegando la parte superior de la abrazadera y le doy forma. Y con un poco de paciencia llego al final:
Luego lo coloco en su lugar y termino de ajustar la forma definitiva. Pongo en su lugar el cilindro equilibrador y le pego la pieza de conexión del circuito. El equilibrador está hecho con un tubito cortado de un palito de "chupachup" que he tapado por su parte posterior con una rodajita de estaño. La caja de conexión está hecha con un trozo de plástico:
1.10.4.- CIRCUITO HIDRÁULICO:
Del cilindro acumulador salen tres tuberías que recorren el lateral de la torre y luego bajan por la abertura de la corona. Van sujetos a la torre y al protector de la corona con unas abrazaderas planas. Al final lleva unas conexiones de empalme para repartir el hidráulico a todas las partes que lo necesitan (joysticks de movimiento, atacador y equilibrador). El circuito está hecho con hilo de cobre y lámina de estaño para las abrazaderas. Las conexiones de empalme son rodajitas de funda plástica. Las abrazaderas irán pegadas al lateral de la torre cuando esté cerrada ésta:
1.10.5.- ATACADOR:
Por debajo del bloque de culata lleva el atacador. Está compuesto por un cilindro que hace de eje para que el conjunto bascule, un soporte de apoyo, una bandeja de carga y el atacador propiamente dicho. Empiezo con el cilindro-eje. Está hecho con un tubito de plástico en el que se inserta una varilla de estaño que está fija al bloque. A continuación preparo el soporte lateral. Está hecho con lámina de estaño y ever:
Con funda termoretráctil le hago el zuncho al cilindro-eje. Sobre el cilindro preparo un soporte con lámina de estaño donde asienta la bandeja de carga, hecha también con lámina de estaño. El asa de maniobra de la bandeja de carga está hecha con varilla de estaño. Con un tubo más fino que el anterior preparo el cilindro del atacador al que le hago la pieza soporte con lámina de estaño y ever y el asa con plástico estirado. El zuncho está hecho con funda termoretráctil. El vástago del cilindro es una varilla de estaño a la que le he añadido la base del empujador, hecha con lámina de estaño y un tubito de plástico:
Una vez seco el conjunto lo ajusto en su lugar:
Con hilo de estaño conformo el cuerpo de la palanca de la bomba manual del equilibrador. Para el mango utilizo un trozo de funda de plástico igual que para el cilindro. El latiguillo, como los anteriores, de hilo de cobre:
1.10.6.- ACUMULADOR SECUNDARIO:
Bueno, dentro de la cámara de combate superior (torre) voy a dedicarme al lateral izquierdo. Aquí encontramos el acumulador secundario del equilibrador, la bomba del anillo neumático, la válvula de drenaje del circuito del equilibrador, la bomba manual del equilibrador, el acumulador principal y la caja de interruptores del sistema hidráulico. Para facilitarme la colocación de cada uno de los elementos, empiezo por al acumulador secundario del equilibrador. Está hecho con un tubo de plástico al que le tapo los extremos con lámina de estaño. Los soportes son de ever y el latiguillo de hilo de cobre. A continuación hago la válvula de drenaje con ever y dos rodajitas de plástico estirado. La coloco en su lugar y le ajusto el latiguillo del acumulador secundario:
1.10.7.- BOMBA DEL ANILLO NEUMÁTICO:
En varilla de estaño de 2 mm tallo el mango y el cuerpo del bombín del anillo neumático al que le añado dos pletinas de lámina de estaño que harán de soportes. Colocado en su lugar le añado el latiguillo de hilo de cobre y el manómetro de lámina de estaño:
1.10.8.- BOMBA MANUAL EQUILIBRADOR:
Con hilo de estaño conformo el cuerpo de la palanca de la bomba manual del equilibrador. Para el mango utilizo un trozo de funda de plástico igual que para el cilindro. El latiguillo, como los anteriores, de hilo de cobre:
1.10.9.- ACUMULADOR DEL EQUILIBRADOR:

1.10.10.- CAJA SISTEMA HIDRÁULICO:
1.10.11.- CAJA DE GONIÓMETRO M-117:
Preparo la caja del goniómetro con lámina de ever. Las anillas de cierre las hago con hilo de cobre:
El montaje es el que mantiene vertical al goniómetro en cualquier ángulo de tiro y sobre cualquier terreno, corrigiendo así el ángulo de eje de muñones.
Con lámina de estaño conformo la caja principal y con hilo de cobre el eje transversal en él se sustentan todos los componentes:
Sobre el eje principal he sujetado la cajera del goniómetro y la caja de lecturas así como el soporte de los niveles. He utilizado lámina de estaño, ever y plástico estirado:
1.10.13.- VISOR ACODADO:
Ahora la parte interior del visor acodado de puntería directa. Está hecho con hilo de estaño. Los diferentes calibres que dan grosor están hechos con funda termo retráctil de diferentes calibres. La palanca de embrague es de latón y la bisagra de plástico estirado. El ocular del visor es una rodajita de funda de cable eléctrico. Después de darle un poco de puty para suavizar los escalones de las fundas, coloco la palanca del embrague y ya tengo listo el visor de puntería directa. Con ever preparo el soporte del visor y lo coloco en su lugar:
1.10.14.- LUCES DE TECHO:
Lo siguiente son los plafones de las luces interiores. Lleva uno en el lateral derecho y otro en el techo. Sobre una lámina de estaño en la que grabo con un punzón los tornillos de fijación, pego una lámina de ever y sobre ésta un trocito de estaño aplastado que hace de cristal y un trocito de plástico que simulará el interruptor:
1.10.15.- ALZA M-15:
Este aparato sirve para medir los ángulos de elevación del tubo y por tanto los de tiro. Su graduación es en milésimas artilleras dando medidas de 1/2ºº, pudiéndose aproximar hasta el 1/4 de milésima. Va colocada en el muñón derecho. Está hecha con ever, lámina de estaño, plástico estirado e hilo de cobre. Una vez terminada la coloco en su lugar:
1.10.16.- RELLENADOR:
1.10.17.1.- BANDEJA PORTAOBJETOS DERECHA:
1.10.17.2.- SOPORTES DE LINTERNA:
1.10.17.3.- CAJA DEL PERISCOPIO DEL JEFE DE PIEZA
Caja del periscopio de respeto del jefe de pieza. Hecho con ever, lámina de estaño e hilo de cobre para las bisagras:
1.10.17.4.- CANJILÓN DE ESPOLETAS DERECHO:
Canjilón de espoletas derecho. Sobre lámina de estaño recorto la pieza y con ayuda de los alicates de punta plana hago los dobleces necesarios para conformar el canjilón:
1.10.17.5.- CANJILÓN DE ESPOLETAS TRASERO:
1.10.17.6.- CAJA DE CONEXIÓN DE INTERFONÍA, CAJAS DE INTERFONÍA Y SUPRESOR:
1.10.17.7.- CANJILÓN DE ESPOLETAS DEL ANILLO:
Ahora sigo con el canjilón de espoletas del anillo. Hecho con lámina de estaño. Una vez conformado lo coloco en su lugar:
1.10.17.8.- ALVÉOLOS DE MUNICIÓN:
Esta vez es poca cosa. Bueno de trabajo no, porque me ha costado un poco decidir cómo hacer las carcasas de cierre de los alvéolos de la munición. Una vez tomada la decisión, después de pensarlo bastante, la construcción ha sido relativamente rápida. Lo primero, y después de tomar un montón de medidas, es la caja de alvéolos. Como se ve, está hecha con lámina de estaño y conformada plegando los laterales. Luego la relleno con tubitos de plástico que formarán los alvéolos de transporte de la munición:
Y ahora lo que más me ha costado. Las carcasas de cierre. Tienen forma de cuenco pero sin fondo. Al final he decidido cortar primero círculos de estaño de 4 mm con el sacabocados. Luego con el sacabocados de 2 mm les he hecho un orificio en el centro. Y por último, con el mango redondeado de un cúter, les he dado forma cóncava apretándolo contra una alfombrilla de ratón. Una vez dada la forma les he pasado papel de lija fino para igualar los bordes y los he pegado en su lugar:
1.10.17.9.- CANJILÓN DE ESPOLETAS IZQUIERDO:
Con lámina de estaño preparo el canjilón de espoletas del lateral izquierdo. Y una vez terminado lo coloco en su lugar:
1.10.18.- DEPÓSITO DE RESERVA:
Empiezo por el acumulador principal. He de decir que el M-109 lleva dos cilindros, uno el principal (como éste y otro el de reserva, pero el M-109a1, que es el caso, sólo lleva el principal). Dicho esto paso al cilindro acumulador del circuito electrohidráulico. Está hecho con un trozo de un bolígrafo. Con lámina de estaño le hago las tapas. También con lámina de estaño, le hago las abrazaderas de sujeción. Con dos cilindros de varilla de estaño y rodajitas de funda plástica le hago la válvula de potencia y el regulador de presión. Lo siguiente es la escuadra soporte del conjunto. Está hecha con lámina de estaño y plástico estirado. Y por último le hago el indicador de nivel y el manómetro. Para ello utilizo ever, lámina de estaño e hilo de cobre:
1.10.19.- ASIENTO DEL JEFE DE PIEZA:
Con lámina de estaño conformo el soporte de la banqueta. Con una pieza de plástico preparo el pilar de soporte, al que le practico unos orificios en el lateral. También con lámina de estaño conformo la escuadra que articula y soporta el conjunto del asiento. La palanca está hecha con hilo de cobre. También con hilo de cobre hago los rodillos y el pasador de bloqueo de la articulación. Con ever preparo el propio asiento:
En lámina de estaño repujo los bordes de la banqueta/respaldo y por debajo le pego el respaldo, hecho con ever, y el bastidor de la bisagra, conformado con lámina de estaño:
Preparado el conjunto del respaldo lo coloco en su lugar. Está puesto en posición baja. En esta posición va colocado el asiento cuando el Jefe de Pieza va de pie asomado por la escotilla. Para rematar le añado las cabezas de los pasadores y la del eje del respaldo:
Terminado el conjunto lo coloca en su lugar. Sólo le faltarían los soporte superiores, pero los pondré cuando coloque la superestructura de la torre:
1.10.20.- ANILLO DE CONEXIÓN:
Porta escobillas del anillo de conexión de la torre. Son tres los que mantienen la parte superior de la torre conectada eléctricamente con la barcaza.
Están hechos de lámina de estaño y he grabado el dibujo con un punzón. Luego los recorto con un cúter y doblo como un fotograbado. Una vez conformados, los coloco en su lugar:
Por último he puesto las tuercas de fijación del anillo. Son del fotograbado MIG 35-500. De las que no hay que soltar de la plancha de fotograbado por van pegadas con una lámina fina de plástico. Así no tienes que recortar y limar, simplemente despegar y poner donde quieras:
1.10.21.- CAJA DE CONTROL:
1.10.23.- MANDOS HIDRÁULICOS:
Hecho con tubos de plástico de diversos calibres, hilo de cobre, ever y estaño y Una vez terminado y colocado un volante del cajón de sastre va a su lugar:
1.11.- PLANTA MOTRIZ:
El bloque motor lo hago con la técnica del "sándwich" y plástico de 0,8 mm. Luego le he dado una capa de puty para igualar las superficies. Y una vez seco y lijado el puty lo forro con ever fino. Una vez seco repaso con lija las aristas. Con lámina de aluminio le hago la junta del cárter de aceite repujándole los tornillos. Con ever preparo el cárter y lo pego en su lugar y compruebo el ajuste en su lugar:
1.11.1.2.- BANCADAS:
Con resina (de un blíster de tornillos del Leroy) de 2 mm de grosor preparo las dos culatas. Con lámina de aluminio simulo las juntas de las tapas de balancines:
1.11.1.4.- TAPAS DE BALANCINES:
Los distintos componentes, engranajes del árbol de levas, bomba de aceite, etc., hechos con tubo de plástico y lámina de aluminio repujada. La bobina de arranque en frío hecha con tubo de plástico y lámina de aluminio. La tapa del volante con resina de 2 mm. En la parte superior, entre las bancadas simulo los distintos componentes del sistema de alimentación y arranque en frío. Hechos con resina de 2 mm y lámina de estaño.
1.11.1.6.- BOBINA Y BOMBA DEL CALENTADOR:
Detallado de las tapas de balancines con los respiraderos y los tapones de aceite. Hecho todo con plástico. También la bobina de arranque en frío y el conector eléctrico:
1.11.1.7.- COLECTORES DE ESCAPE:
Con plástico de una parrilla y alambre de cobre fino preparo los componentes del colector de escape. El colector colocado en su lugar. Con papel de aluminio le he hecho el aislante:
1.11.1.8.- REFRIGERADOR DE ACEITE:
Con tubo de plástico y ever preparo el intercambiador de calor. Con hilo de estaño preparo la tubería de salida de agua del bloque motor al intercambiador de calor:
1.11.1.9.- VARILLA DE ACEITE:
Con funda plástica y ever hago la entrada del tubo de la varilla de aceite. Y con hilo de cobre simularé el tubo de la varilla del aceite:
1.11.1.11.- CONDUCCIÓN DE AIRE AL SOPLADOR:
Aquí se ve la conducción de aire al soplador (resina) con las tuercas de MIG, El latiguillo de presión de la válvula reguladora (hilo de cobre) y el tubo de goma de entrada de aire (tubo termoretráctil):
1.11.1.12.- TUBERÍAS REFRIGERACIÓN:
Los colectores de refrigerante están tallados en resina y la tubería de unión hecha con estaño y el resto de tuberías y manguitos están hechos con hilo de cobre (recreados durante la fase de pintura):
1.11.1.13.- MANGUITO Y CUBIERTA DE TERMOSTATO:
Al igual que los colectores de refrigerante, el cuerpo de la cubierta del termostato está tallado en resina y el manguito esta recortado de hilo de estaño:
1.11.1.14.- UNIDAD DE TEMPERATURA:
Con un trocito de tubo conformo el cuerpo de la unidad de temperatura donde insertaré uno de los manguitos del refrigerante:
1.11.1.15.- TUBO DE DERIVACIÓN:
En el lado derecho le he hecho el tubo de gases del turbo cargador (varilla de plástico) con el turbo (hilo de estaño), la toma de aire (varilla de plástico) y la tubería de derivación con su aislante (hilo de estaño forrado con papel de aluminio):
1.11.1.16.- VÁLVULA REGULADORA:
1.11.2.- TRANSMISIÓN:
1.11.2.1.- BLOQUE TRANSMISIÓN:
He empezado haciendo unas plantillas de gálibo para recrear el volumen de la pieza. Están hechas de cartón. Y me permite comprobar el volumen y el ajuste en el compartimento motor. Ahora las pego por grupos. Así me facilita el ajuste y lijado. Una vez ajustado el gálibo de cada trozo, lo forro con ever. Y compruebo el ajuste entre los grupos. Después le hago los laterales. Y ajusto el grosor total añadiendo tapas laterales a cada grupo que lo necesite:
Con lámina de aluminio (es como el papel de aluminio pero más grueso y rígido) preparo la plancha de unión, repujando los tornillos con un punzón:
Antes de seguir compruebo el ajuste en su alojamiento. Una vez comprobado ya puedo repasar, lijar y pulir la transmisión para empezar a detallarla:
Lo siguiente es añadir las diferentes tapas de control y registro con sus espárragos correspondientes. He utilizado ever, tubo de plástico y plástico estirado La tapa del filtro de la valvulina está hecha con lámina de aluminio:
La tapa de registro, control y conexión del varillaje de la dirección y frenos con sus espárragos y conectores correspondientes:
En lateral derecho he preparado con lámina de aluminio la salida de los semiejes del paso final. Y los semiejes y junta universal (cardan):
Compruebo el ajuste. Luego, con ever le hago la otra orejeta de izado. Y aquí está la transmisión ya preparada:
1.11.2.2.- FILTRO ACEITE MOTOR:
Los filtros de aceite del motor y los latiguillos de entrada y salida de aceite hacia y desde el intercambiador de calor. Me han quedado un poco torcidos pero sólo se parecía en la foto (por el macro) una vez en su lugar apenas se nota. El soporte de los filtros de aceite y su tuerca:
1.11.2.4.- TAPAS FRENOS:
1.11.2.5.- FILTRO DE GASOIL:
1.11.2.6.- PASOS FINALES:
Lo siguiente es la caja de salida del semieje de transmisión izquierdo, con sus correspondientes planchas de fijación hechas de aluminio:
Comprobación y ajuste para tomar medidas del espacio que queda para los semiejes y la junta universal o cardan:
Una vez tomadas las medidas preparo la junta universal (cardan) y los dos semiejes con sus correspondientes bocinas. La propia junta está hecha con ever. Los semiejes con unos trocitos de tubo de plástico fino que entran a presión en las bocinas que están hechas con tubo más grueso:
1.11.3.- CAJA DE TRANSFERENCIA:
Todo en su lugar para comprobar ajuste y tomar medidas para empezar la caja de transferencia (que une el motor con la transmisión) y los ventiladores del radiador. La verdad es que entra justo, justo, justo. Igual, cuando esté todo hasta tengo que hacer trampa para meterlo todo dentro:
Con la técnica del sándwich preparo el cuerpo del transfer. Y le añado las tapas de registro con lámina de estaño:
La unión del transfer con el motor está hecha con ever fino y la salida del eje del volante motor con plástico y lámina de estaño repujado. Y así doy por terminada la Caja de Transferencia que la pegaré en su lugar cuando todo esté pintado:
1.11.4.- RADIADOR:
Ahora paso al radiador y los ventiladores. Sobre un trozo de plástico pego dos aros que simularán los dos encauzadores de aire de los ventiladores. Los aros están hechos con lámina de estaño conformados con un tubo de cobre del calibre oportuno:
1.11.4.1.- VENTILADORES:
Sobre una tira de lámina de estaño recorto unos rectángulos con los que haré las 20 aspas para los ventiladores. Éstos los conformo con el mango de una lima de relojero dándoles forma curva y doblando una pestañita que utilizaré para pegar el aspa sobre el eje del ventilador. Una vez pegadas las aspas queda así. Sólo falta limar un poco y colocar el ventilador en su alojamiento. Compruebo ajuste y limo las aspas que han quedado un poco grandes. Una vez ajustados los ventiladores preparo la caja que formará el radiador:
No queda mal del todo (ahora mismo está sujeto sobre un trocito de plástico y no termina de estar en su lugar correcto). Cuando lo pinte y pegue supongo que quedará mejor.
1.11.4.2.- ALTERNADOR:
Lo primero ha sido terminar el radiador con la recreación del alternador (entre los dos ventiladores) hecho con un trozo de varilla de plástico; la conexión eléctrica, hecha con un trocito de tubo de plástico y otro de funda de cable. Y el termostato hecho con unos trocitos de lámina de estaño:
1.11.5.- DEPÓSITO DE EXPANSIÓN:
El depósito de expansión del líquido del radiador. Hecho con ever y con los orificios donde insertaré los latiguillos y tubos de refrigerante:
1.11.6.- TUBERÍAS Y MANGUITOS:
1.11.6.1.- DEPÓSITO EXPANSIÓN:
1.11.6.2.- ACEITE:
2.- HERRAMENTAL Y REPASO:
2.2.- SOPORTE PICO Y ZAPAPICO:
2.3.- CARRETE TELEFONÍA::
2.4.- PESTILLOS RETENCIÓN REJAS:
2.5.- TRINCA DE MARCHA:
La trinca que trae el kit corresponde a los modelos a2 y posteriores ya que llevan muelles en los laterales. Para el caso he tenido que recortarle los muelles y colocarlo en su lugar:
2.6.- AMETRALLADORA BROWNING 12.70:
3.- PINTADO INTERIOR:
Imprimación dada con pintura en espray de Tamiya (blanco TS-1). Capa base acrílico Decoart blanco titanio con soplador Badger:
El compartimento motor tratado con óleos, hago manchas de aceite, hidráulico y refrigerante con óleos:
Tratamiento parecido recibe el pozo del conductor. Utilizando además gris alemán de Vallejo y Titanio de Tamiya:
Una vez pintada la calefacción y el tubo corrugado, lo coloco en su lugar. Los desconchones están hechos con gris alemán y marrón chocolate de Vallejo. Y el remarque de las aristas del tubo corrugado con pincel seco y blanco de Vallejo:
A continuación he colocado los extintores fijos una vez pintados con rojo y blanco de Vallejo. Los desconchones (excesivos de momento) a todos los componentes, están hechos con gris alemán y marrón chocolate de Vallejo y una vez colocada la bomba del sistema de flotación, coloco la rejilla de protección:
Y me lío a hacerle desconchones. ¡Como si estuviera en un desguace! Me he vuelto a pasar. Aunque por lo menos me sirve de práctica:
Desconchones en el mamparo del motor y en la salida de la calefacción. Aquí se precia el detalle de los desconchones de los orificios de los tornillos de la tapa de acceso:
Mientras espero que se seque lo que llevo hecho, me he entretenido con las baterías. Lo primero pintarlas. Luego le he puesto la pegatina (no dice nada pero en tres milímetros no hace falta que se pueda leer, creo yo) y un poco de pincel seco. Las coloco para ver como quedan y le pongo la superestructura del casco para comprobar ajuste:
Siguiendo con la pintura empiezo a hacer desconchones en la torre, intentado no emocionarme. El lateral izquierdo y Los alvéolos de la munición:
El pintado de la planta motriz lo hago más que por que se vaya a ver, por aprender y practicar. Quitando la parte superior del motor y la frontal de la transmisión, el resto apenas se apreciará. Pero no lo voy a dejar sin pintar, ¿no?
Le he dado una imprimación en blanco con el aerógrafo y color base a pincel. El radiador y los ventiladores en negro. No es que los ventiladores sean negros pero para poder pintar la parte interior del radiador y que no se viera blanco le he dado con negro. Ya los pintaré después con su color:
Al motor le he dado gris alemán sobre la imprimación y luego verde usa a las partes que son de este color:
Los ventiladores de su color. He mezclado verde medio, azul medio, amarillo limón y blanco (todos de Vallejo) para conseguir un color lo más parecido posible al real:
La tubería de refrigerante del mismo color, los aislantes del escape con aluminio mate y los escapes con marrón chocolate. El dámper también con marrón chocolate:
Le he dado unas pequeñas luces a la parte superior y al manguito del soplador con gris alemán. La tubería de agua también con gris alemán y el filtro de gasoil con una mezcla de azul medio y gris alemán:
Le he hecho unos filtros buscando el color correcto (aunque en las fotos no se aprecia bien). He tratado también los colectores de escape:
Le he dado un filtro blanco a los ventiladores para aproximarme más al color real. Luego una aguada con marrón tierra para marcar la acumulación de polvo en las aspas:
Y he terminado el motor dándole un filtro en azul medio y haciéndole unos cuantos desconchones con gris alemán y marrón. Por último una aguada suave con tierra. También le he dado un filtro con marrón a los colectores de escape:
A la transmisión le he intentado difuminar los cercos que me han quedado del lavado con gris dándole con blanco. Algunos los he podido quitar pero muchos no. En fin por lo menos he aprendido que antes de los lavados debería tener la superficie cuando menos satinada. Para la siguiente no me pasa:
La varilla del aceite está hecha con hilo de cobre y funda de plástico, la ajusto al orificio de acceso:
Ahora a por las baterías. Los cables de conexión son de hilo de estaño. He apretado con unos alicates los extremos y les he practicado un orificio para que ajusten en los bornes. Los puentes están hechos de la misma manera:
Ahora el manguito de retorno al radiador con la unidad del termostato. El manguito es de hilo de estaño y el cuerpo del termostato de resina. La unión está hecha con tubo termoretráctil:
Y para finalizar la planta motriz he recreado la boquilla del extintor fijo. Está hecha con varilla de plástico y tubo termoretráctil:
Los asientos de la tripulación son de cinta de lona decoloradas por el desgaste (estas cintas están hechas con lámina de estaño como ya sabréis los que seguís este proyecto). Aquí están presentadas para ver como quedan:
Después de la imprimación en blanco le di tierra mate de Vallejo como base. Luego una mezcla de verde USA, tierra mate, amarillo y blanco (todos de Vallejo) para ir subiendo la luz. Para buscar el color y una vez seco, le di un primer filtro con verde cinabrio (Mir). Un segundo filtro con verde vejiga (Titán). Y un perfilado con tierra sombra natural (Titán). Los brillos se deben a que las fotos las hice en fresco:
4.- CERRAMIENTO:
Le he dado puty al casco para que quede bien cerrado así como ajustar el suelo de la cámara de combate al portón trasero una vez pegado en su lugar:
5.- PINTADO EXTERIOR:
Bueno ahora empieza lo bueno, en lo que yo soy malísimo.
Hoy he retocado los desconchones de las tapas de la transmisión, del acceso trasero y del freno de boca, le he hecho unos roces al gancho de remolque y le he dado un filtro con óleo Verde Cinabrio (Mir) a todo. A ver qué os parece:
Ya se ha secado así que puedo seguir con los óleos. Al verlo en las fotos (tan grande) no me termina de gustar. Seguiré retocando. La tapa del motor la veo un poco mejor:
Después de retirar con Medium incoloro el exceso de ayer y para agrisar el verde doy unos toque con blanco, negro y verde cinabrio. Lo fundo con Medium:
También fundo unos toques con ocre amarillo y hago unos lavados en las rejillas con tierra sombra natural. Y de momento así está:
Una vez secos los filtros me pongo con el tubo de escape. Éste se pintaba al menos una vez al año con pintura anticalórica plateada. Pero con el uso y la intemperie, ésta, al final saltaba y el metal se oxidaba. Lo he pintado con oleos dando golpecitos con la punta del pincel para que quede un poco picadito o mapeado. Use siena natural, blanco, negro, gris neutro, amarillo naranja, rojo primario y al final unos toques con esmalte plata de Humbrol:
El vertido de gasoil lo hice con Tierra siena tostada muy diluido (más bien chorreoso) con Medium incoloro. A continuación un perfilado por toda la barcaza con tierra sombra natural. Para la salida de la bomba de achique hice el mismo tratamiento que para el gasoil pero ahora con tierra sombra tostada:
Y de momento así está quedando. Cuando se seque le daré una capita de barniz mate para apagar los brillos. He perfilado con tierra sombra natural. Siguiendo los consejos de Joaquín OsO he intentado corregir y difuminar la mancha del gasoil pero no ha sido posible. Ya le había dado barniz así que más que difuminar le he hecho un filtro. Bueno, para la próxima saldrá mejor (espero):
Después del perfilado y del intento de arreglo de la mancha de gasoil y de los chorretones le he dado una capa de barniz mate con el aerógrafo:
Ahora empiezo con la distribución de las herramientas. Las petacas de agua las colocaré sobre la tapa del radiador al igual que los gatos (en la foto están en otra posición de prueba) el mazo y la barra espeque. Los mangos de los picos y el hacha en su lugar. La ametralladora 12,70 en su lugar. Las palas y el trípode de la ametralladora también los colocaré en su lugar. También quiero hacerle la lona de la ametralladora que dejaré tirada encima de la torre y el tapabocas que dejaré sobre una de las tapas de la transmisión:
Como para alguna de las herramientas me van a hacer falta correas tengo que fabricarme alguna anilla (un guiño en recuerdo de Sergio Tchundin que con esta técnica recreaba una cadenas geniales).
Sobre un pelo de sierra enrollo un trozo de hilo de cobre fino. Luego saco la espiral del pelo de sierra y con unas tijeritas de manicura corto la espiral quedando unas anillas muy curiosas:
Con unos alicates de punta de pico de pato las aplasto para que queden planas. Recorto una tira fina de lámina de estaño, le doblo una punta, inserto dos anillas y aprieto el estaño para que queden prisioneras:
Sólo me queda introducir la otra punta de la correa, ponerle una trebilla y colocar en su lugar procurando dejar el hueco necesario para poder insertar la herramienta en cuestión. Como la correa no está pegada a las anillas puedo tensarla una vez colocada la herramienta y ponerle una gota de ciano:
Y por último las herramientas. Las palas, mazo, mangos de pico y zapapico, hacha y petacas son las originales de Italeri con algún retoque. Los gatos también son los de Italeri pero los he separado y mejorado poniéndole las garras. La barra espeque la he hecho con hilo de estaño tallándole una parte para que quedara cuadrada y biselándole la punta. La ametralladora y el trípode de Italeri los he sustituido por sendas piezas del "U.S. MACHINE GUN SET" de Academy pero sin ponerle la caja de munición:
Una vez retocadas las herramientas le he dado una capa de pintura base. Los mangos los he pintado del color de la pieza. Algunos son de madera y otros metálicos así que lo tendré en cuenta a la hora de hacerle desconchones. La 12,70, el trípode y los gatos lo he pintado con hull black de Humbrol. Las palas, el hacha y el mazo con negro mate de Vallejo. Para la Browning, Hull black de Humbrol y grafito para el metal; hull black con un toquecito de oleo tierra sombra tostada para la palanca de maniobra y las asas de tiro. El soporte con verde USA de Vallejo con desconchones y grafito para las partes pulidas por el roce. Y a su sitio:
Las dos petacas con su pintura (verde USA y gris alemán de Vallejo) y tratamiento de manchas húmedas (oleo tierra sombra tostada con medium). Los gatos y la barra espeque que al final he decidido colocarlos en el suelo del acceso trasero puestos ahí por la tripulación después de haberlos usado para tareas de mantenimiento de la cadena, en espera de colocarlos en su lugar. La pala larga con sus correas de fijación. Se puede apreciar la pintura verde saltada que deja ver el color de la madera del mango:
El trípode pintado con Hull black de Humbrol, los roces con gris alemán de Vallejo y un poco de grafito:
El hacha está colocada en su lugar pero sin fijar ya que faltan los mangos del pico y zapapico. La pintura saltada deja ver la madera del mango:
Las petacas colocadas encima de la rejilla del radiador:
Con masilla Andrea voy a modelar la bolsa de herramientas. Con lo que ha sobrado he hecho una llave inglesa, un destornillador y el escobillón:
Le doy una capa de caqui de Tamiya. Sombreo con marrón de Vallejo. Y unas luces añadiendo blanco de Vallejo. Y acabo con unos toquecitos de verde limón de Tamiya en la cremallera:
Para dar sensación de escala es necesario colocar una figura en el modelo. La figura será un mecánico en tareas de mantenimiento encima de la Pieza. Para ello recreo la figura y en el siguiente enlace se puede seguir el proceso: FIGURA
Y con la finalización de la figura doy por terminado este proyecto que empecé en septiembre del 2011 y acabo en julio de 2012.
Y con la finalización de la figura doy por terminado este proyecto que empecé en septiembre del 2011 y acabo en julio de 2012.
Espero no haberos aburrido con tanto rollo y que os haya gustado el modelo conseguido junto con las técnicas utilizadas.
Muchas gracias a todos los que me habéis ayudado, animado y seguido, os espero en el siguiente proyecto y un saludo desde el norte de África.
Ceuta julio 2012.







































































No hay comentarios:
Publicar un comentario
AQUÍ PUEDES HACER UN COMENTARIO